17 November, 2025
build-your-own-ram-a-guide-to-tms9900-homebrew-computing

A recent video by Usagi Electric demonstrates the process of creating RAM for the TMS9900 microprocessor, a key component in retro computing. The tutorial highlights the importance of RAM in operating systems and applications, especially for the vintage TI-99/4A computer, which utilizes the TMS9900 CPU. With numerous online resources available, including forums like AtariAge and sites like arcadeshopper.com, enthusiasts can easily dive into the world of homebrew computing.

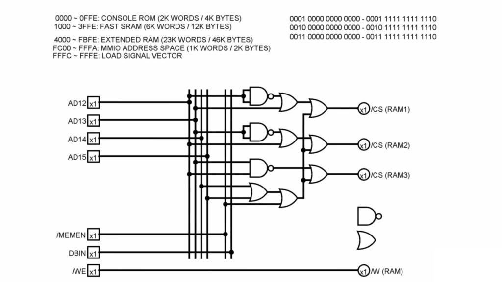
In the video, Usagi Electric explains that the TMS9900 has limited registers, meaning that RAM is essential for its functionality. To address this need, he sets out to construct RAM for his homebrew TMS9900 board. The project involves using Mitsubishi M58725P 16-kilobit (2-kilobyte) static RAM integrated circuits. Each chip consists of 11 address lines and 8 data lines. By placing two chips side by side, he achieves support for 16-bit words. Using six M58725Ps arranged in pairs, he ultimately creates a RAM capacity of 6 kilowords, equivalent to 12 kilobytes.

Technical Components and Assembly

To enhance the RAM boards, Usagi Electric incorporates components such as 74LS00 Quad 2-input NAND gates and 74LS32 Quad 2-input OR gates. When asked why he chose these specific gates, he humorously notes that he has an abundance of them, emphasizing practicality over complexity.

After a brief introduction to his pets, he dedicates the remainder of the video to assembling and testing the RAM. For comprehensive testing, he writes a simple assembly program, which is compiled using a custom toolchain built around freely available software. The project reaches a successful conclusion when the expected trace appears on the oscilloscope, confirming the RAM’s functionality.

A Growing Community of Retro Computing

The video is part of a larger trend in the retro computing community, where enthusiasts share their projects and experiences online. The TMS9900, initially released in the 1970s, continues to inspire hobbyists and engineers alike. This homebrew RAM project showcases how the intersection of nostalgia and technology fosters innovation and collaboration among fans of vintage computing.

As retro computing gains popularity, more individuals are likely to embark on similar projects, driving interest in older technologies and revitalizing the skills necessary for hardware creation. The insights shared by Usagi Electric not only provide a practical guide for building RAM but also serve as an invitation for others to explore the fascinating world of homebrew computing.